In a time of both misinformation and too much information, quality journalism is more crucial than ever. By subscribing, you can help us get the story right.
Already a subscriber? Log in here.
28
Oct 2025

A redundant care home building in Ripon is set to be converted into a residential house.
Applicant Rachel Bannister submitted plans to North Yorkshire Council in April to convert Skell Lodge, the former home of Skell Lodge Residential Care Home, into a family home.
According to planning documents, the South Crescent property was previously used for residential purposes until Maria Mallaband Care Group bought it in 2014 and turned it into a care home with three annexed flats.
The care home closed seven years later after it was no longer considered compliant with modern nursing home standards and has remained vacant since.
It has also been subjected to "vandalism and squatters" and is in a "derelict condition", plans say.
Skell Lodge was listed for sale in February 2022. It is unclear if the sale has now finalised, but planning documents dated July 3 this year say it was "placed under offer in February 2025 to the existing purchaser".
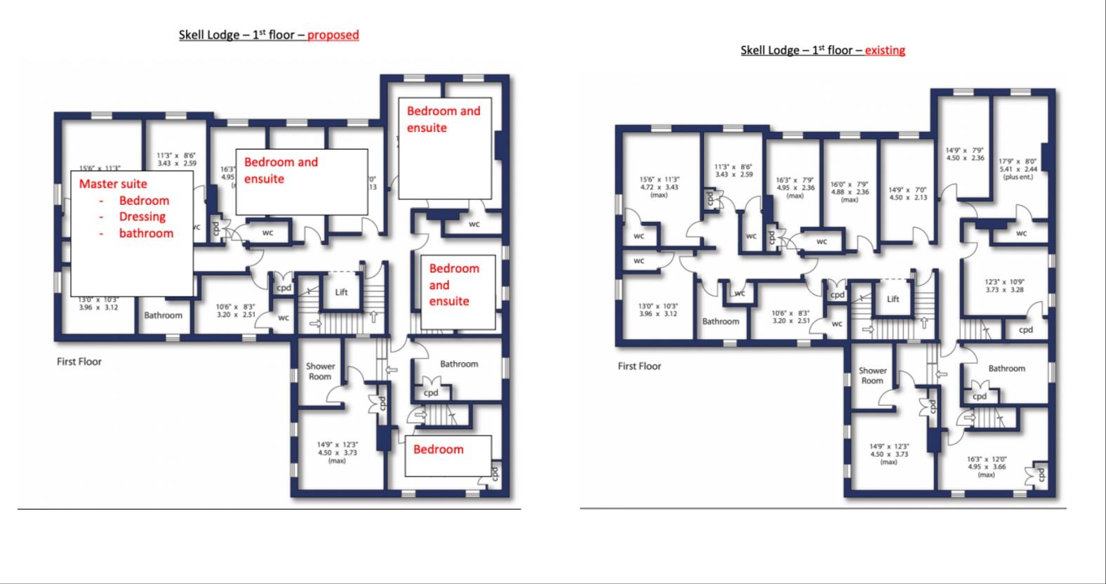
The application, which was approved last week, sought approval to convert the 23-bedroom property into a five-bedroom house, four of which would be en-suite.
Only an "internal refurbishment" will be carried out and Ms Bannister does not propose to extend the building, according to the proposal.
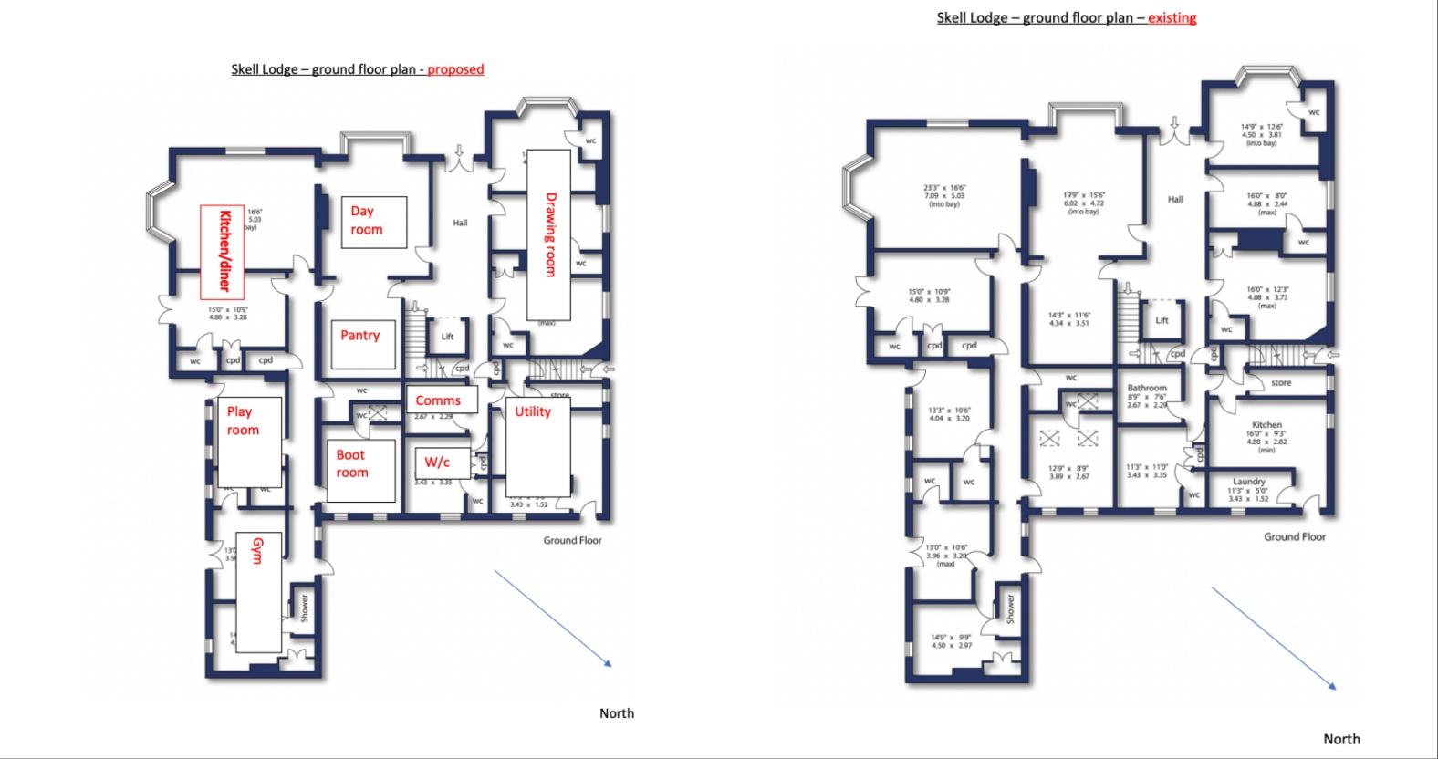
On the ground floor, the main house will feature a gym, a playroom, a kitchen, a day room, a pantry, a boot room, a utility room and a drawing room.

Proposed (L) and existing ground floor layout at Skell Lodge.

Proposed (L) and existing first floor layout at Skell Lodge.
Two of the annexes would be converted into home offices, while the third would become a “teenage space” or guest accommodation with a kitchen area.
The property was listed for sale with Dacre, Son & Hartley in 2022 with a guide price of £1.25 million.
It was advertised as a care home for a year, despite not meeting care home standards, but the price was subsequently dropped after receiving “no interest” and the listing opened to the public.
The price was reduced again to an undisclosed sum in March last year and a sale was agreed with a developer the following month.
However, the sale fell through in January this year due to a “lack of communication from the buyer”.
It was remarketed at the start of this year, when a second offer was made by the "existing purchaser".
No objections were made to the plans and, according to a council report, one person “welcomed the conversion back to a family home” when the application was open to public response.
0